Реле втягивающего стартера РЕЛЕ ВТЯЖАЮЩЕЕ СТАРТЕРА 137370 PL AS-PL
Реле втягуюче стартера РЕЛЕ ВТЯГУЮЧЕ СТАРТЕРА 137370 PL

КОД ТОВАРА
AS SS1009

АРТИКУЛ И ПРОИЗВОДИТЕЛЬ ТОВАРА
SS1009
(AS)
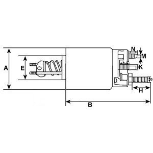
| Характеристика |
|
|
| Напруга |
|

КАТАЛОЖНЫЕ НОМЕРА АНАЛОГОВ
| Производитель | Артикул | Производитель | Артикул | Производитель | Артикул |
| AS | SS1009P | BOSCH | F032137370 | CARGO | 137370 |
| GHIBAUDI | E5366 | IKA | 462469 | PROFIT | 71370370 |
| PROFIT | 71371370 | PSH | 054000142036 | WAI | 66133 |
| ZM | 1860 |
Применяемость
- Товарная группа:
- - Электрика и Освещение Втягивающее реле стартера
Аналоги "SS1009 AS-PL":
783 ₴
в наличии
- Артикул:
- 137370
- CARGO
-
Дания
Напряжение [В]: 12
Наружный диаметр [мм]: 52.5
Наружный диаметр [мм]: 52.5
