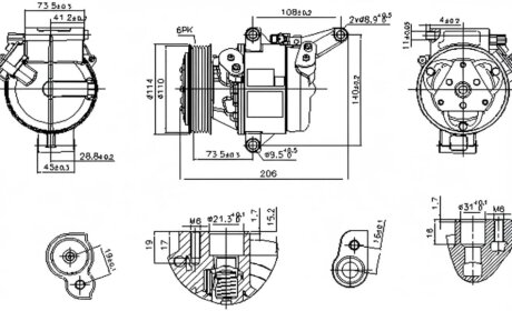
Компрессор кондиционера Valeo

14 019 
 в наличии
Производитель
Valeo
Каталожный номер
559618
  • Обмен/возврат
    - обмен/возврат товара в течение 14 дней, подробнее →
Применяемость
Valeo 559618 подходит к маркам/моделям авто:
- Mazda: 2, CX-3
Товарная группа:
- Охлаждение и Отопление Компрессор кондиционера
Аналоги "559618 Valeo":
12 290  в наличии
Артикул:
890948
NISSENS
Купить Код: 788446-4
Оригинальные номера
OEM:
D09W61450